Skip to product information
1 of 8

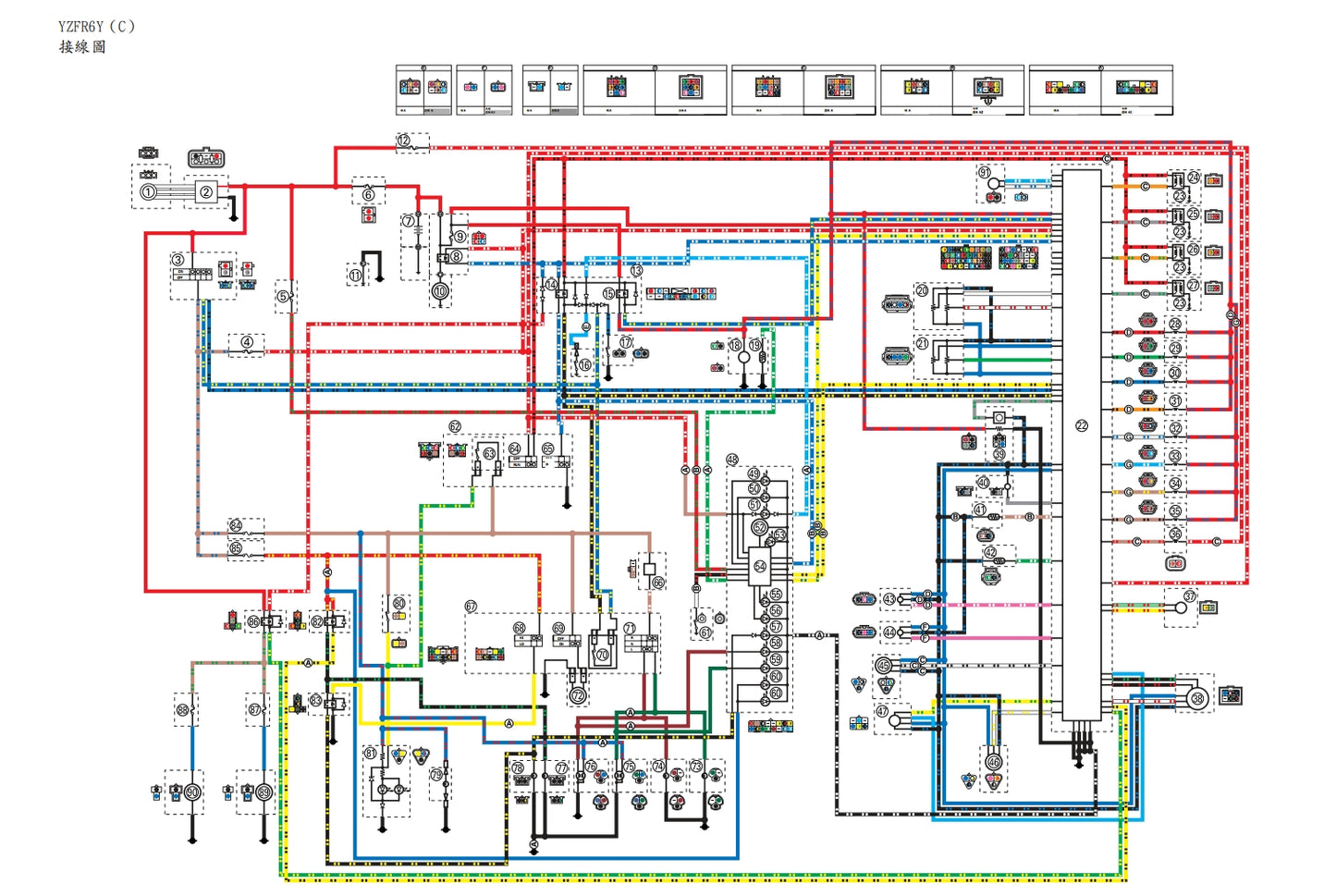
適用於2009雅馬哈R6維修參考資料(含英文原文與繁體譯文,含扭矩、電路、故障碼)

適用於2009雅馬哈R6維修參考資料(含英文原文與繁體譯文,含扭矩、電路、故障碼)

Regular price $7.99 USD
Regular price $15.99 USD Sale price $7.99 USD
Sale Sold out
Shipping calculated at checkout.
本手冊由山葉汽車有限公司製作,主要供山葉經銷商及其合格的機械師使用。 不可能在一本手冊中 包含機械師的所有知識。 因此,任何人誰使用這本書來執行維護和維修山葉車輛應該有一個基本的 了解力學和技術,以修復這些類型的車輛。该維修手冊包含鑰匙防盜模塊部分。
格式:PDF
語言:繁體中文
頁數:434
下單付款後提供:英語原版和繁體中文翻譯兩份下載連結
Quantity

View full details