1
/
/
7
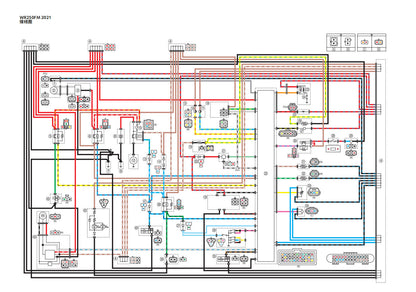
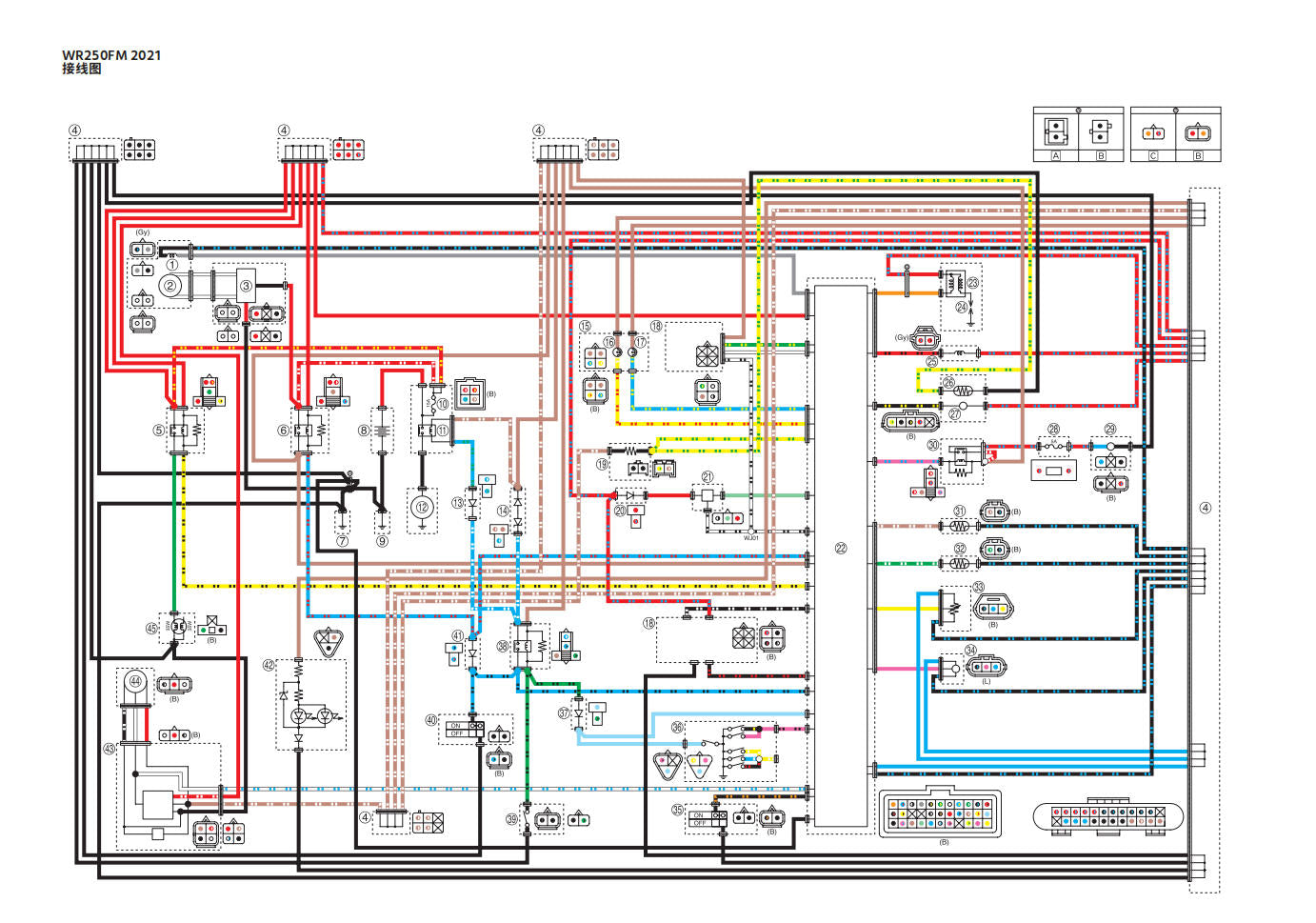
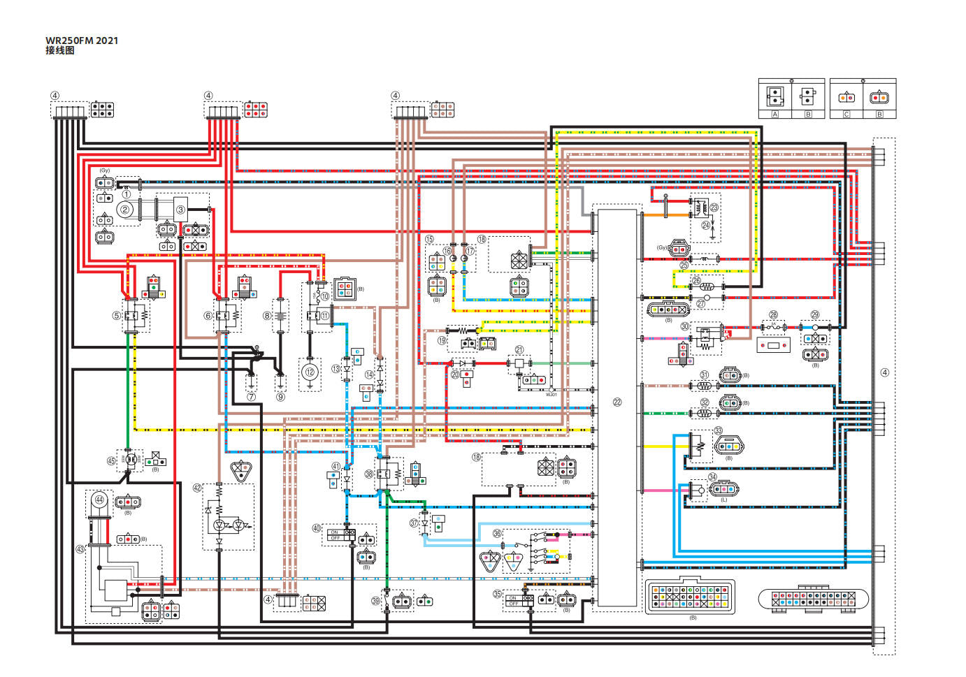
適用於雅马哈2021 WR250F维修手冊資料英文和简体中文全车线路图故障代码分析扭矩维修DIY工具
適用於雅马哈2021 WR250F维修手冊資料英文和简体中文全车线路图故障代码分析扭矩维修DIY工具
常规价格
$8.99 USD
常规价格
$12.99 USD
促销价
$8.99 USD
结账时计算的运费。
🔧 产品介绍
这份 摩托车维修手册 PDF电子档 由原厂技术资料整理而成,内容详尽,适合经过专业培训的技师在设备齐全的维修车间中使用。同时,本手册也包含充足的基础说明与维护步骤,非常适合希望自行完成基础保养与维修的车主参考。
📘 资料内容特色:
-
格式: PDF电子档,可在电脑、手机、平板上轻松查看
-
语言: 简体中文与英文双语版本
-
页数: 共404页(原版英文与中文翻译)
-
用途: 提供发动机、变速箱、电气系统、悬挂、制动等系统的详细维修步骤
-
适用人群: 专业技师、自行维修的摩托车爱好者、学习机械维修的学生
⚙️ 使用建议:
手册适合具备基本机械知识与正确使用维修工具经验的使用者。拥有必要的手工及专用维修工具,可更高效完成维护与故障排除。
📩 购买后说明:
购买后将发送 英文原版与中文翻译版PDF 两份资料,方便对照使用。
数量
无法加载取货服务可用情况

Regarding Payment&Shipping 關於付款&發貨
- All the maintenance manuals available for sale on this website have been uploaded to the cloud storage. After you place an order and make payment, the page will provide a download link. At the same time, the email address you filled in when submitting the order will also receive an email reminder of the download link.
本網站所有在售的維修手冊已經上傳到網盤,你下單付款後頁面會提供下載連結,同時你提交訂單時候填寫的郵箱地址也會收到下載連結的郵件提醒。
-
Shipping Policy 運輸政策