Skip to product information
1 of 8

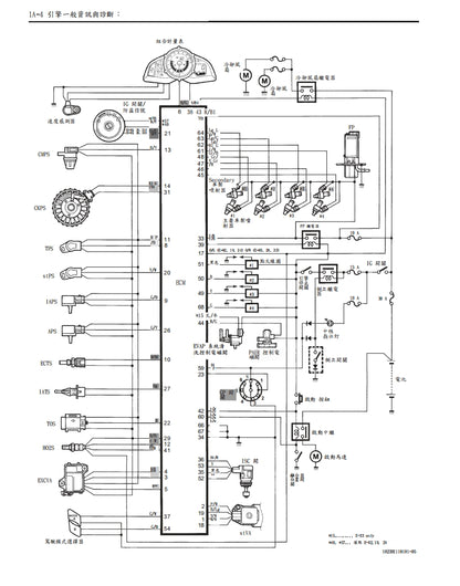
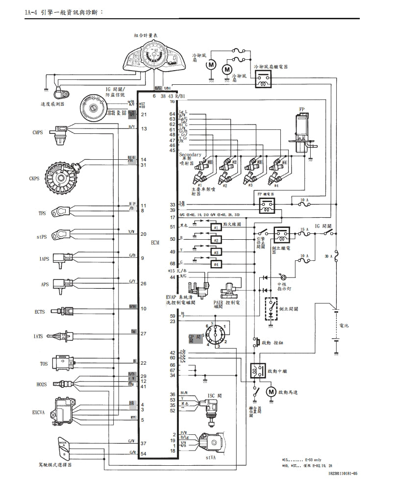
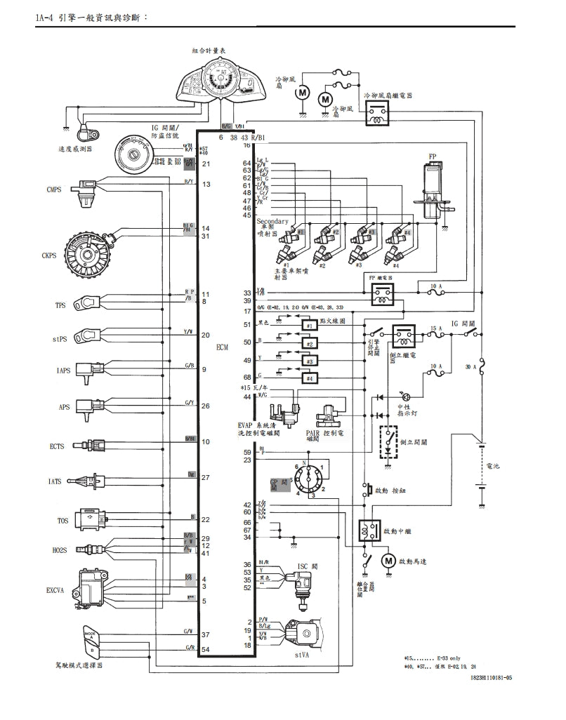
適用於鈴木GSX1300BK B-KING維修參考資料(含英文原文與繁體譯文,含扭矩、電路、故障碼)

適用於鈴木GSX1300BK B-KING維修參考資料(含英文原文與繁體譯文,含扭矩、電路、故障碼)

Regular price $7.99 USD
Regular price $12.99 USD Sale price $7.99 USD
Sale Sold out
Shipping calculated at checkout.

介紹
維修資料主要供經過培訓的科技人員在設備齊全的車間使用。 但是,它包含足够的細節和基本資訊,囙此對希望執行自己的基本維護和維修工作的車主很有用。 只有在車主擁有完成工作所必需的手工和特殊維修工具的情况下方可工作。
必須具備基本的機械知識,包括正確使用工具和車間程式,才能令人滿意地進行維護和修理工作。
格式:PDF
語言:繁體中文和英語
頁數:683
下單付款後提供:英語原版和繁體中文翻譯兩份下載連結

Quantity

View full details