1
/
/
8
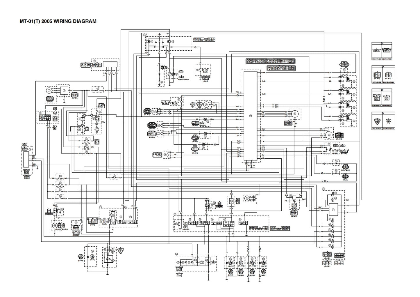
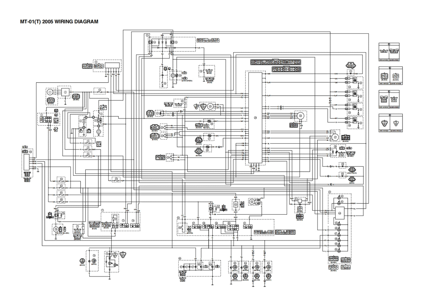
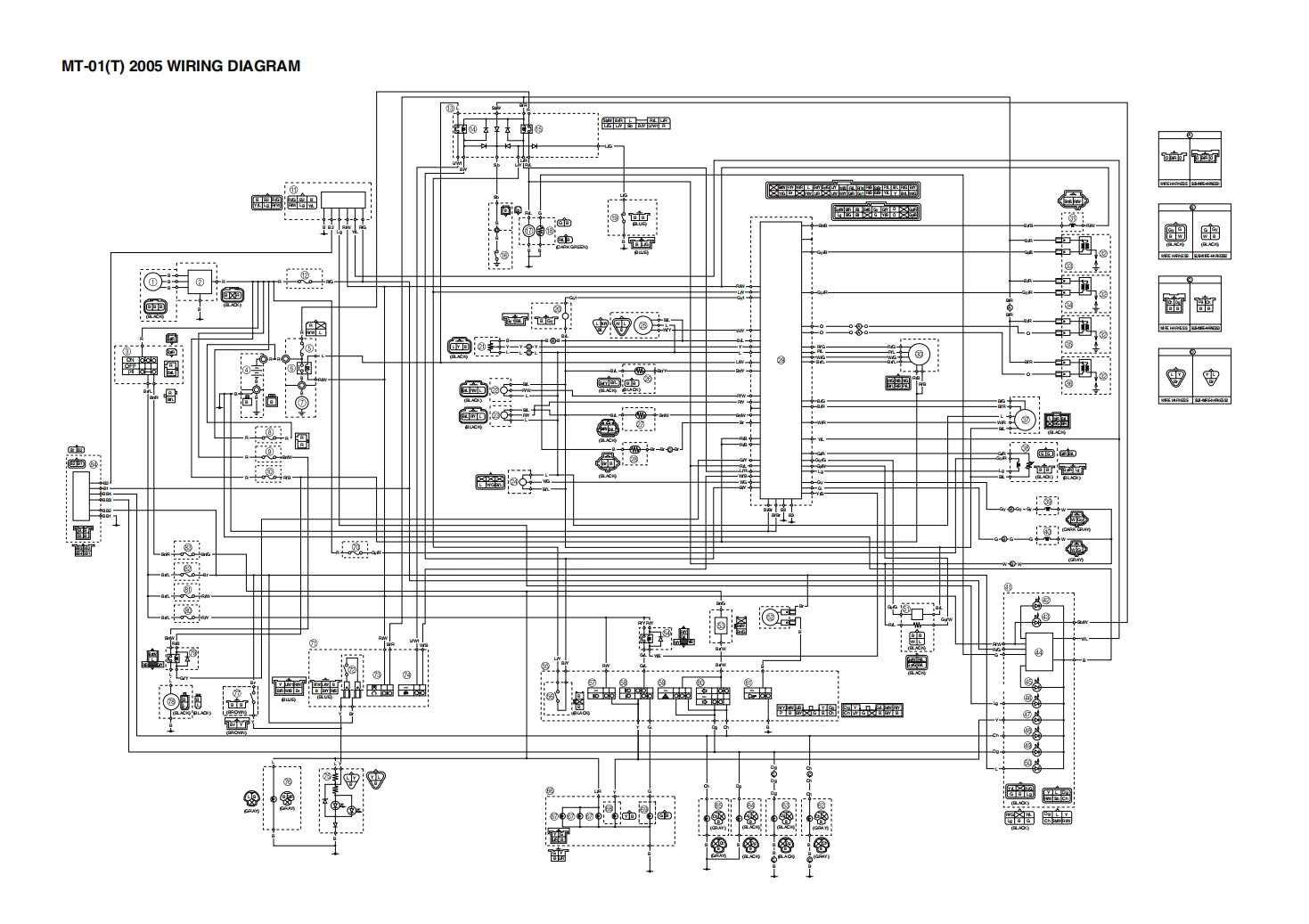
適用於2005 雅馬哈MT01維修手冊參考資料(含英文原文與繁體譯文,含扭矩、電路、故障碼)
適用於2005 雅馬哈MT01維修手冊參考資料(含英文原文與繁體譯文,含扭矩、電路、故障碼)
常规价格
$7.99 USD
常规价格
$15.99 USD
促销价
$7.99 USD
结账时计算的运费。
本手冊由山葉汽車有限公司製作,主要供山葉經銷商及其合格的機械師使用。 不可能在一本手冊中 包含機械師的所有知識。 因此,任何人誰使用這本書來執行維護和維修山葉車輛應該有一個基本的 了解力學和技術,以修復這些類型的車輛。
格式:PDF
語言:繁體中文&英語
頁數:435
下單付款後提供:英語原版和繁體中文翻譯兩份下載連結
数量
无法加载取货服务可用情况

Regarding Payment&Shipping 關於付款&發貨
- All the maintenance manuals available for sale on this website have been uploaded to the cloud storage. After you place an order and make payment, the page will provide a download link. At the same time, the email address you filled in when submitting the order will also receive an email reminder of the download link.
本網站所有在售的維修手冊已經上傳到網盤,你下單付款後頁面會提供下載連結,同時你提交訂單時候填寫的郵箱地址也會收到下載連結的郵件提醒。
-
Shipping Policy 運輸政策