1
/
/
9
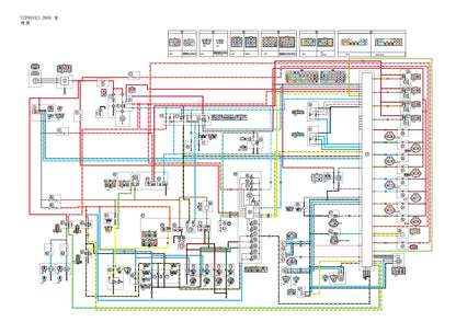
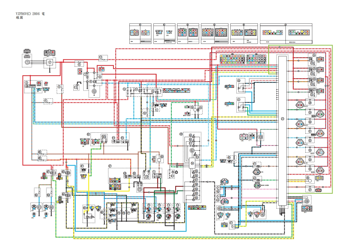
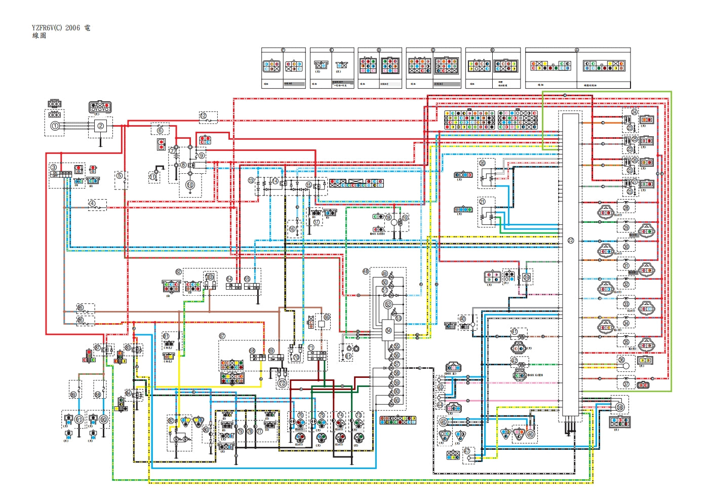
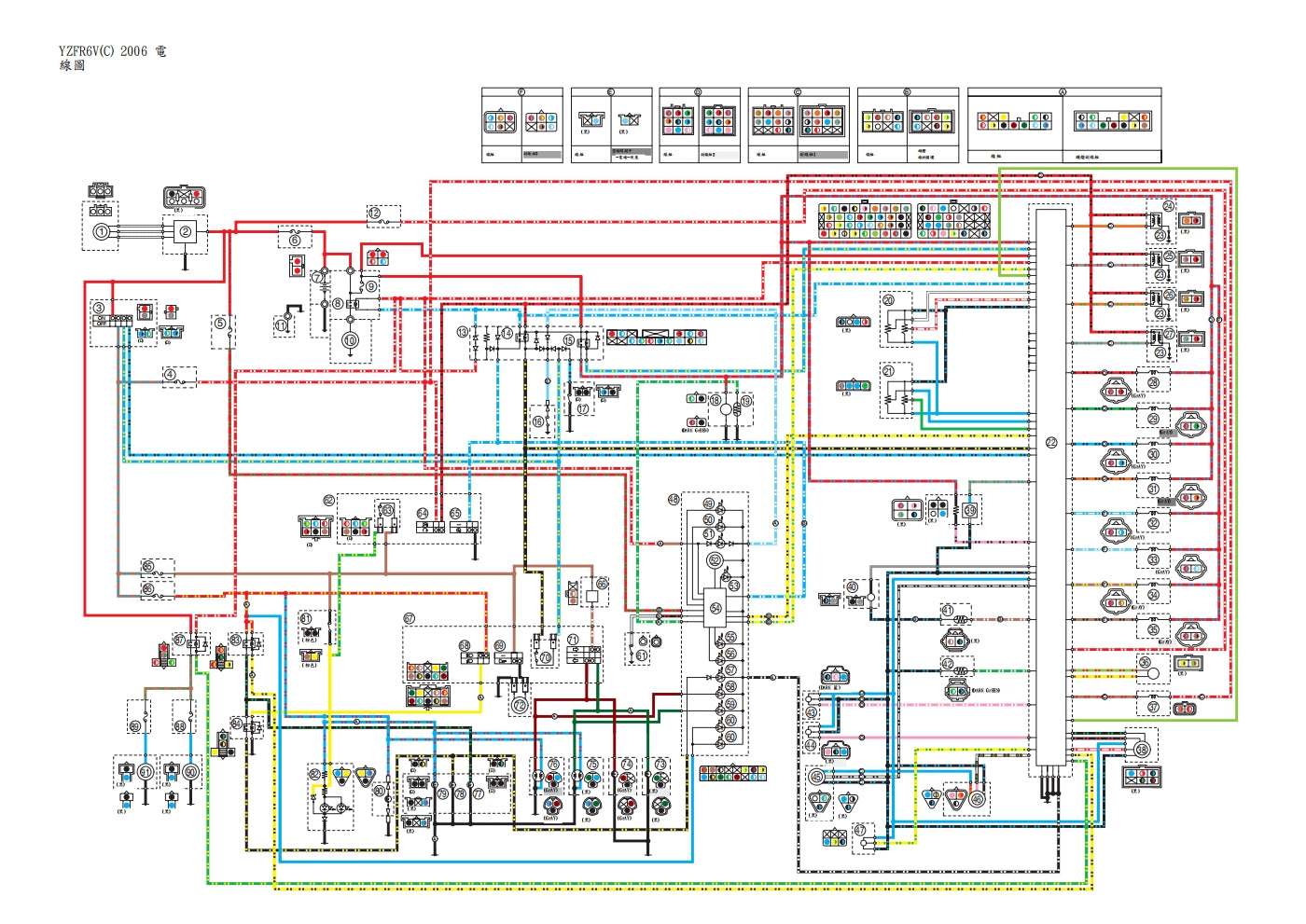
適用於2006雅馬哈R6維修手冊參考資料(含英文原文與繁體譯文,含扭矩、電路、故障碼)
適用於2006雅馬哈R6維修手冊參考資料(含英文原文與繁體譯文,含扭矩、電路、故障碼)
常规价格
$5.99 USD
常规价格
$9.99 USD
促销价
$5.99 USD
结账时计算的运费。
介紹
維修資料主要供經過培訓的科技人員在設備齊全的車間使用。 但是,它包含足够的細節和基本資訊,囙此對希望執行自己的基本維護和維修工作的車主很有用。 只有在車主擁有完成工作所必需的手工和特殊維修工具的情况下方可工作。
必須具備基本的機械知識,包括正確使用工具和車間程式,才能令人滿意地進行維護和修理工作。
維修資料主要供經過培訓的科技人員在設備齊全的車間使用。 但是,它包含足够的細節和基本資訊,囙此對希望執行自己的基本維護和維修工作的車主很有用。 只有在車主擁有完成工作所必需的手工和特殊維修工具的情况下方可工作。
必須具備基本的機械知識,包括正確使用工具和車間程式,才能令人滿意地進行維護和修理工作。
格式:PDF
語言:繁體中文
頁數:419
下單付款後提供:英語原版和繁體中文翻譯兩份下載連結
数量
无法加载取货服务可用情况

Regarding Payment&Shipping 關於付款&發貨
- All the maintenance manuals available for sale on this website have been uploaded to the cloud storage. After you place an order and make payment, the page will provide a download link. At the same time, the email address you filled in when submitting the order will also receive an email reminder of the download link.
本網站所有在售的維修手冊已經上傳到網盤,你下單付款後頁面會提供下載連結,同時你提交訂單時候填寫的郵箱地址也會收到下載連結的郵件提醒。
-
Shipping Policy 運輸政策