適用於2016-2020 Honda NC700X NC750X维修手冊資料 英文和简体中文全车线路图故障代码分析扭矩维修DIY工具
適用於2016-2020 Honda NC700X NC750X维修手冊資料 英文和简体中文全车线路图故障代码分析扭矩维修DIY工具
introduce
This manual is mainly intended for trained technicians to use in fully equipped workshops. However, it contains sufficient details and basic information, making it useful for car owners who wish to perform their basic maintenance and repair work. Work can only be carried out if the vehicle owner has the necessary manual and special repair tools to complete the task.
Basic mechanical knowledge, including proper use of tools and workshop procedures, is necessary to perform maintenance and repair work satisfactorily.
Format: PDF
Language: Simplified Chinese and English
Page: 672
Send both the original English version and the Chinese translation together
如何使用機車PDF維修手冊
機車PDF維修手冊是維修和保養機車的重要工具,正確使用能大大提高效率,避免錯誤操作。 首先,下載或獲取適用於您車型和年份的官方維修手冊,確保內容準確。 打開PDF檔案後,建議使用支持目錄跳轉和關鍵字搜索的軟件,比如Adobe Acrobat Reader,這樣可以快速定位所需章節。
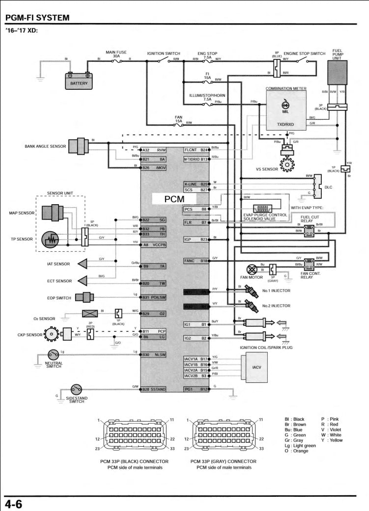
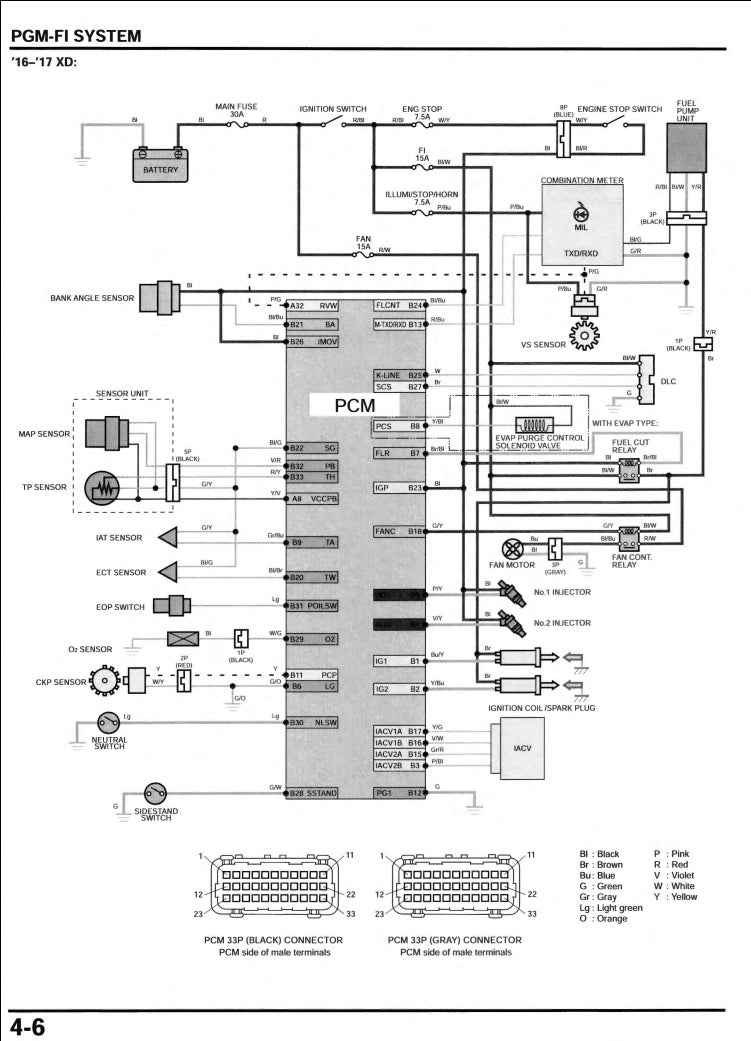
閱讀前,可以先瀏覽手册目錄,瞭解各部分內容佈局。 通常手册分為基本操作、拆裝步驟、電路圖、故障診斷和定期維護等模塊。 根據當前需要,比如更換刹車片或排查發動機故障,找到對應章節仔細閱讀相關步驟和注意事項。 PDF手册一般包含詳細的圖示、扭矩規格和特殊工具要求,務必按照指導進行,避免憑經驗盲目操作。
在維修過程中,可以用電子設備隨時查看手册,或提前列印需要的部分,方便邊操作邊參照。 特別注意安全警告和操作順序,必要時可結合手册提供的電路圖或系統示意圖,輔助理解。 若遇到理解困難的部分,可利用關鍵字功能搜索更多說明,或者對比類似車型的手册內容。
堅持以手册為准,規範操作,不僅能提升維修水准,還能延長機車使用壽命,降低後續故障率。
本田NC700是一款經濟實用且非常適合城市通勤的摩托車,該車型以其較低的油耗和舒適的騎行體驗受到很多車主的喜愛。不過,像所有摩托車一樣,NC700也有一些常見的故障問題。以下是幾個常見的故障點:
-
變速箱異常:NC700的DCT(雙離合自動變速器)系統有時會出現變速不順或換檔延遲的情況,尤其是在起步或低速行駛時。這通常是由於DCT系統的控制單元或離合器磨損造成的,需要定期檢查變速箱油位並進行調整。
-
油門不靈敏:有些車主反映NC700的油門在某些情況下會有反應遲鈍或卡頓的情況。這通常與油門拉索或油門線路的磨損、拉伸有關,定期潤滑和檢查可以防止這些問題。
-
煞車系統異常:NC700的煞車系統有時會出現煞車效能下降的問題,尤其是在長時間行駛後,煞車片磨損過快或煞車液不足會導致煞車效果不佳。
-
電子儀表板顯示問題:有些車主曾遇到儀表板顯示異常的情況,如顯示不清晰或完全不顯示。這可能是由於接觸不良或儀表板內部電路故障所引起。
-
燃油系統問題:在某些情況下,NC700可能會出現燃油供應問題,例如燃油泵故障或燃油濾清器堵塞。這可能導致啟動困難或動力不足的情況。
-
懸吊系統問題:儘管NC700的懸吊系統設計合理,但一些車主反映在較長時間使用後,懸吊的舒適性和穩定性可能會下降,這是由於懸吊油液老化或彈簧失去彈性所致。
像所有摩托車一樣,定期維護是避免這些故障的關鍵,保持機油、煞車油、冷卻液等定期更換,有助於延長NC700的使用壽命。
无法加载取货服务可用情况

Regarding Payment&Shipping 關於付款&發貨
- All the maintenance manuals available for sale on this website have been uploaded to the cloud storage. After you place an order and make payment, the page will provide a download link. At the same time, the email address you filled in when submitting the order will also receive an email reminder of the download link.
本網站所有在售的維修手冊已經上傳到網盤,你下單付款後頁面會提供下載連結,同時你提交訂單時候填寫的郵箱地址也會收到下載連結的郵件提醒。
-
Shipping Policy 運輸政策