Skip to product information
1 of 10

適用於2020年雅馬哈R1維修參考資料(含英文原文與繁體譯文,含扭矩、電路、故障碼)

適用於2020年雅馬哈R1維修參考資料(含英文原文與繁體譯文,含扭矩、電路、故障碼)

Regular price $5.99 USD
Regular price $9.99 USD Sale price $5.99 USD
Sale Sold out
Shipping calculated at checkout.
介紹
維修資料主要供經過培訓的科技人員在設備齊全的車間使用。 但是,它包含足够的細節和基本資訊,囙此對希望執行自己的基本維護和維修工作的車主很有用。 只有在車主擁有完成工作所必需的手工和特殊維修工具的情况下方可工作。
必須具備基本的機械知識,包括正確使用工具和車間程式,才能令人滿意地進行維護和修理工作。
格式:PDF
語言:繁體中文&英語
頁數:808
下單付款後提供:英語原版和繁體中文翻譯兩份下載連結

 

2020年雅馬哈R1常見故障包括:

  1. 啟動問題:部分車主反映,R1在冷啟動時可能會遇到困難,尤其是當氣溫較低時。這通常與電池電量不足、啟動馬達、燃油系統或點火系統有關。定期檢查電池狀況並確保燃油供應系統正常運作。

  2. 鏈條過度磨損:由於R1屬於高性能運動型摩托車,部分車主反映鏈條在長時間使用後可能會出現異常磨損或拉伸。定期檢查鏈條的張力,保持潤滑並根據需要進行調整或更換。

  3. 煞車系統異常:部分車主表示,R1的煞車系統在使用過程中會出現煞車力不足、煞車盤異常磨損或異常聲音。這可能與煞車片、煞車液或液壓系統的問題有關。建議定期檢查和維護煞車系統,並根據使用情況更換煞車片。

  4. 懸掛系統問題:R1在激烈駕駛或高速度下行駛時,部分車主反映懸掛系統的表現不穩定或異常。這可能與懸掛元件的磨損或液壓系統有關,建議定期檢查並調整懸掛設置以確保行駛穩定性。

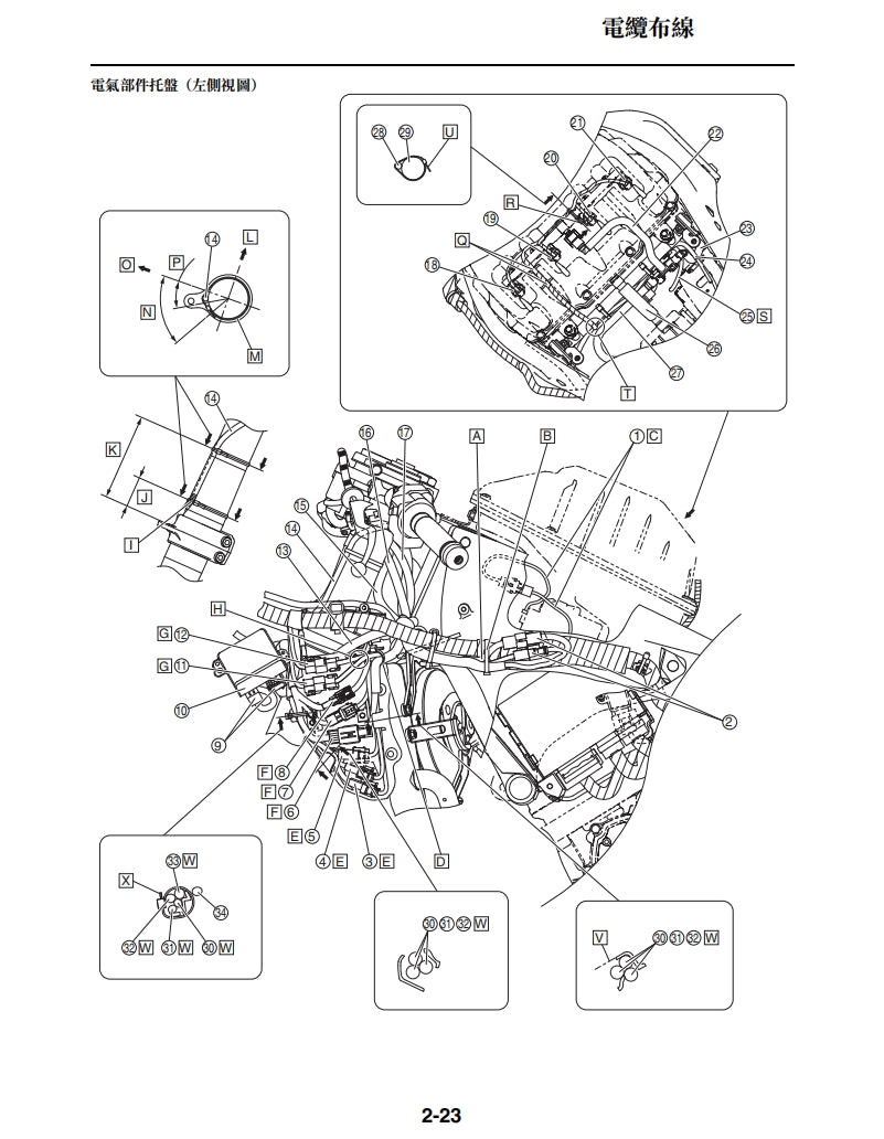
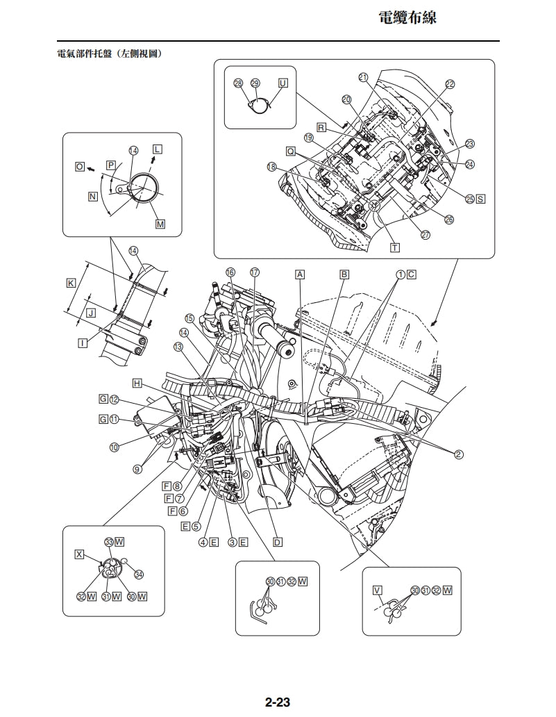
  5. 電子系統故障:部分車主遇到過R1的電子系統異常,可能表現為儀表盤顯示異常、車輛未能啟動或電子控制系統無法正常工作。這通常與傳感器、線路或ECU(電子控制單元)的故障有關,需要專業技術人員進行診斷和修復。

Quantity

View full details