1
/
/
9
motorcycle service manual shop
2016 SBK959(E4)維修手冊 PDF(英文+繁體)|全車拆解圖|扭力規格|原廠維修資料與 DIY 保養指南
2016 SBK959(E4)維修手冊 PDF(英文+繁體)|全車拆解圖|扭力規格|原廠維修資料與 DIY 保養指南
定價
$9.99 USD
定價
$25.99 USD
售價
$9.99 USD
結帳時計算運費。
數量
無法載入取貨服務供應情況
📘 資料內容特色
📄 格式:PDF 電子檔,可在 電腦、手機、平板 輕鬆開啟
🌏 語言:英文原版 + 中文翻譯(繁體版本)
📚 頁數:共 1291頁(英文原版 + 繁體翻譯版)
🔍 適用範圍:
-
引擎維修、分解與組裝
-
變速箱/傳動系統
-
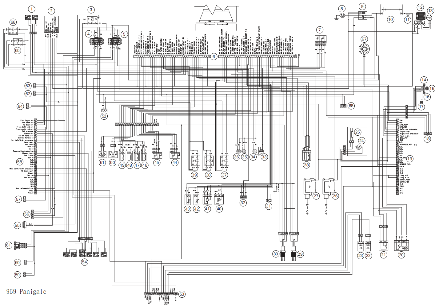
電系、線路圖(方便故障追查)
-
懸吊、煞車、車架結構
-
例行保養、扭力值表格
👥 適用族群: -
機車技師、重機維修店
-
喜歡 DIY 的車主
-
就讀機械、车辆工程相關科系的學生
-
重機車友、進口車維修參考使用
⚙️ 使用建議
本維修手冊適合 具備基本機械常識、並熟悉常用工具操作的使用者。
若擁有必要的 專用工具(如扭力扳手、拉拔器、電表等)將能更快速完成檢修與故障排除。
📩 購買後提供內容
購買後將會提供:
-
英文原版 PDF
-
中文翻譯版 PDF(繁體)
方便您單獨閱讀或中英文對照使用。
所有檔案均可永久保存、隨時查閱。
Share
